TOP >建設中・計画中INDEX >大阪府 >大阪市 >中央区
ザ・パークハウス 心斎橋タワー
ザ・パークハウス 心斎橋タワーは、三菱地所レジデンスが、大阪市中央区博労町3丁目および南久宝寺町3丁目において分譲する地上35階、高さ125.50m、総戸数222戸の免震タワーマンションです。 設計は日企設計と鴻池組、施工は鴻池組。 2026年9月上旬に竣工し、同12月中旬に入居を開始する予定です。
![]() |
2025年12月30日撮影。南東側より。
完成イメージ
![]() |
[2024年12月6日付ニュースリリース(PDF)より引用]
1階に二層吹き抜けのエントランスホール、30階に二層吹き抜けのビューラウンジ及びビューバス付きゲストルーム、31階にビューラウンジを計画しています。
立面図
![]() |
南立面図。高さは約125.50mです。
配置図
![]() |
建設地東側と南側が道路に面しています。
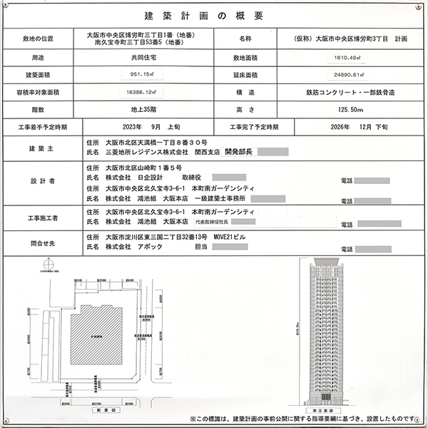
概要
| 名 称 | ザ・パークハウス 心斎橋タワー |
|---|---|
| 計画名 | (仮称)大阪市中央区博労町3丁目計画 |
| 所在地 | 大阪市中央区博労町3丁目1番、大阪市中央区南久宝寺町3丁目53番5(地番) |
| 最寄駅 | Osaka Metro御堂筋線、長堀鶴見緑地線「心斎橋」駅 徒歩6分 (3番出入口)、Osaka Metro御堂筋線、中央線、四つ橋線「本町」駅 徒歩6分 (12番出口)、Osaka Metro堺筋線、長堀鶴見緑地線「長堀橋」駅 徒歩9分 (2-B番出口) |
| 建築主 | 三菱地所レジデンス株式会社 |
| 設計・監理 | 株式会社日企設計、株式会社鴻池組 |
| 施 工 | 株式会社鴻池組 |
| 用 途 | 共同住宅(222戸) |
| 敷地面積 | 1,995.45㎡(売買対象面積)※1,810.49㎡(建築確認対象面積)の他に私道負担184.96㎡ |
| 建築面積 | 951.15㎡ |
| 延床面積 | 24,890.61㎡ |
| 構 造 | 鉄筋コンクリート造、一部鉄骨造 |
| 階 数 | 地上35階、地下1階 |
| 高 さ | 125.50m |
| 着 工 | 2023年09月上旬予定 |
| 竣 工 | 2026年9月上旬予定 |
| 入 居 | 2026年12月中旬予定 |
| 備 考 |
◆売主……………三菱地所レジデンス株式会社 ◆販売会社………三菱地所レジデンス株式会社(売主・販売) ◆総戸数…………222戸 ◆間取り…………1LDK~3LDK ◆専有面積………42.77㎡~151.33㎡(個別宅配ボックス面積0.67㎡~2.9㎡含む) ◆駐車場…………90台(エレベーター型)、他に来客用2台(エレベーター型) ◆管理会社………三菱地所コミュニティ株式会社 |
最終更新日:2026年1月21日
地図
建設地には「萬栄プレミアム館(旧1号館)」があり、解体後は駐車場として使われていました。 建設地までOsaka Metro「心斎橋駅」やOsaka Metro「本町駅」より徒歩6分ほどです。
2025年12月30日撮影
![]() |
「ザ・パークハウス 心斎橋タワー」の建築計画のお知らせ。前回撮影時と内容は同じです。写真クリックで拡大画像を表示。
![]() |
①の地点よりスタートします。
![]() |
①の地点より見ています。上棟間近でしょうか。
![]() |
「せんば心斎橋筋商店街」を通り抜け接近します。
![]() |
南西側より。規模は地上35階、高さ125.50m、総戸数222戸です。
![]() |
その右手。建設地南側は博労町通です。こちらに進みます。
![]() |
南側より。間取りは1LDK~3LDK、専有面積は42.77㎡~151.33㎡を予定。全27タイプを用意しています。
![]() |
②の地点に移動しました。
![]() |
②の地点(南東側)より。顔をかざしただけで、手を使わずにエントランスの開錠が可能な顔認証セキュリティや、業務用床面清掃ロボット(20階まで)の導入を計画しています。
![]() |
その下方。
![]() |
その左手。建設地南側。博労町通。
![]() |
右手。建設地東側は丼池筋です。
![]() |
③の地点に移動しました。
![]() |
③の地点(北東側)より。各戸専用の宅配ボックスの設置や、スマートフォンで機械式駐車場の事前予約が可能な出庫予約システムの導入も計画しています。
![]() |
その左手。建設地東側。丼池筋。
![]() |
「ザ・パークハウス 心斎橋タワー」は2026年9月上旬に竣工し、12月中旬に入居を開始する予定です。
















